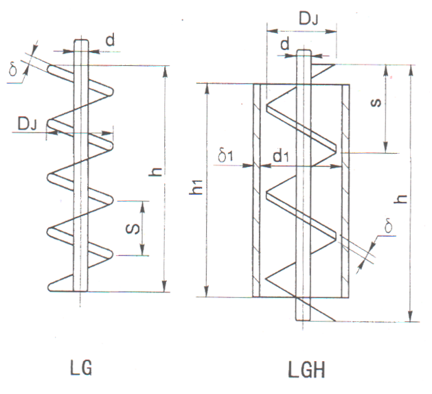
螺杆式搅拌器分为:螺杆式LG; 带导流筒螺杆式LGH。
此类搅拌器为慢速型搅拌器,在层流区操作,液体沿着螺旋面上升或下降形成轴向的上下循环,适用于中高粘度混和和传热等过程,螺杆式搅拌直径小,轴向推力大,可偏心放置,桨叶离槽壁的距离<1/20DJ,槽壁可起挡板作用。螺杆带上导流筒,轴向流动加强,在导流筒内外形成向下向上的循环。常用介质粘度μ﹤105cp,常用运转速度n=0.5~50rpm,V<1m/s。