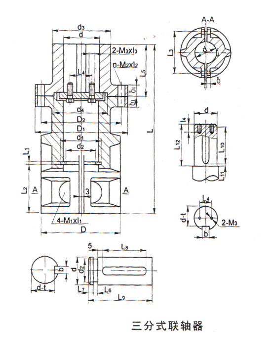
SF型三分式联轴器
目前,搅拌轴的轴封有不少采用机械密封结构,这种密封结构,当密封泄露是需及时更换密封环,但现有标准凸缘式和夹壳式联轴器只允许主、从动轴端留有很小的间隙,为此,要大幅度提高主动轴或降落从动轴才能卸脱密封环,装拆十分麻烦。三分式联轴器在结构上留出保证装拆密封环座的间隙,既保留凸缘式联轴器容易对中的优点,有兼有夹克式联轴器装拆方便的长处。更换密封环时只须将从动轴下降6~8毫米,在各行业中,已逐步推广使用。 联轴器是指联接两轴或轴与回转件,在传递运动和动力过程中一同回转,在正常情况下不脱开的一种装置。有时也作为一种装置用来防止被联接机件承受过大的载荷,起到过载保护的作用。联轴器又称联轴节。用来将不同机构中的主动轴和从动轴牢固地联接起来一同旋转,并传递运动和扭矩的机械部件。有时也用以联接轴与零件(如齿轮、带轮等)。常由两半合成,分别用键或紧配合等联接,紧固在两轴端,再通过某种方式将两半联接起来。联轴器可兼有补偿两轴之间由于制造安装不确定、工作时的变形或热膨胀等原因所发生的偏移(包括轴向偏移、径向偏移、角偏移或综合偏移);以及缓和冲击、吸振。常用的联轴器大多已标准化或规格化,一般情况下只需要正确选择联轴器的类型、确定联轴器的型号及尺寸。必要时可对其易损的薄弱环节进行负荷能力的校核计算;转速高时还席验算其外缘的离心力和弹性元件的变形,讲行平衡校验等。