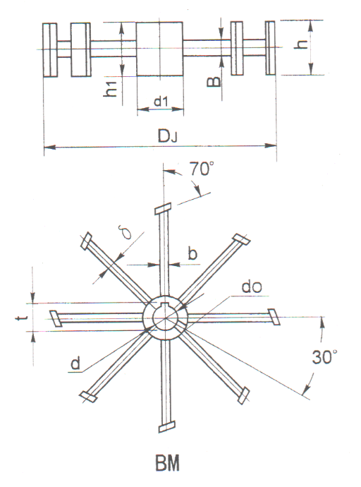
布尔马金式搅拌器:布尔马金式BM
一种六叶开启涡轮式的变型搅拌器。径向流型,桨叶前端加宽并有后弯角,即提高了排出性能,又降低了剪切力度,动力消耗少,排出性能优于直叶或弯叶开启涡轮。在有挡板时可形成上下循环流,对混合,分散,固体悬浮,溶解等过程都较适用,介质粘度μ﹤5×104cP,运转速度n=100~300rpm。